欢迎光临安博app(中国)股份有限公司官网官方网站
English
繁體版
Toggle navigation
安博app(中国)股份有限公司官网
繁体版
English
关于我们
企业简介
发展历程
集团架构
安博app(中国)股份有限公司官网
荣誉证书
产品中心
管材类产品
采油机械设备
铸锻产品
投资者关系
公布栏
招股章程
影音资料
投资服务
投资者保护专栏
投资者联络站
营销网络
国内客户
国际贸易
销售电话
人力资源
人力资源
招聘英才
防伪溯源
安博app(中国)股份有限公司官网
PRODUCTS
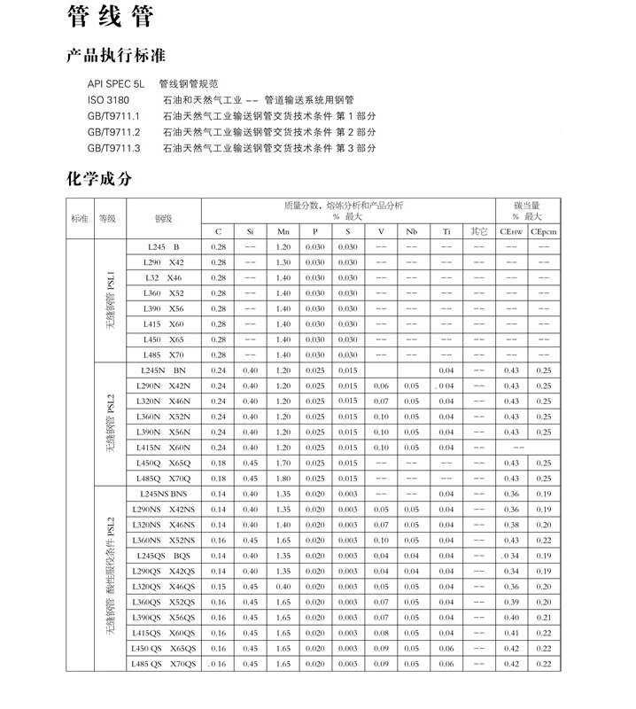
管线管
API油套管
非API油井管
管线管
超精密钢管
液压支柱管
流体管
气瓶管
锅炉管